- НаличиеВ наличии
Оболочки на теплоизоляционные отводы 60 градусов предназначены для эффективной и долговечной защиты изоляции трубопроводов на поворотных участках. Они предотвращают механические повреждения, воздействие влаги и ультрафиолета, обеспечивая сохранение тепловых характеристик системы.
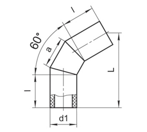
Изделия доступны в широком диапазоне типоразмеров для полного соответствия вашим проектам: внешний диаметр (Dу) от 10 до 1000 мм, внутренний (D) от 18 до 920 мм и толщина изоляции от 20 до 120 мм. Это позволяет подобрать точное решение для труб любого диаметра.
Продукция отличается высоким качеством, стойкостью к коррозии и перепадам температур. Мы работаем с юридическими лицами по безналичному расчету. Оформите онлайн-заказ или запросите коммерческое предложение для получения персональных условий и оперативной доставки по Барановичам и всей Беларуси.
Нет отзывов об этом товаре.
Пока нет вопросов об этом товаре. Станьте первым!
