Комплектующие для адаптеров — это ключевые элементы, обеспечивающие надежное и герметичное соединение трубопроводов в различных инженерных системах. Они находят применение в коммунальном хозяйстве, промышленном строительстве и при монтаже систем водоснабжения.
Использование качественных комплектующих позволяет избежать протечек, повысить устойчивость соединений к вибрациям и перепадам давления, что значительно увеличивает срок службы всей системы.
Мы предлагаем изделия, изготовленные из высокопрочных материалов, соответствующие строгим техническим стандартам. Они устойчивы к коррозии и агрессивным средам.
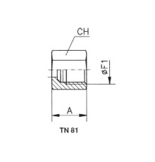
Ассортимент включает контргайки TN102-118, наборы накидной гайки TN81 с врезным кольцом TN88, а также усиливающие втулки TN80 для различных типов адаптеров.
