• Наличие
    В наличии
Цена по запросу

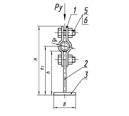
Опоры трубопроводные ТПР.05.06(3).00.000 предназначены для надежного крепления и поддержания трубопроводов различного назначения в строго заданном положении. Они воспринимают вертикальные нагрузки и обеспечивают стабильность системы, компенсируя термические расширения и вибрации.

Использование качественных опор повышает срок службы трубопровода, минимизирует риски протечек и деформаций, что особенно важно для промышленных объектов. Изделия отличаются высокой механической прочностью, коррозионной стойкостью и долговечностью.

Мы предлагаем широкий сортамент опор с наружным диаметром трубы (Dн) от 12 до 50 мм и массой от 0,91 до 1,53 кг. Доступны различные модификации марки (от ТПР.05.06(3).00.000 до ТПР.05.06(3).00.000-11), что позволяет подобрать оптимальное решение для любого проекта.

Отзывов: 0

Нет отзывов об этом товаре.

Вопросов: 0

Пока нет вопросов об этом товаре. Станьте первым!